Vyhledat
Internet
Obrázky
Zboží
Mapy
Videa
Zprávy
Firmy
Slovník
Filtr obrázků
Všechny velikosti
Všechny velikosti
Velké
Malé
Barevné
Barevné
Černobílé
Jen barevné
Pouze e-shopy
Pouze recepty
Pexeso
schéma zapojení hdo eon
zapojení hdo plánek
schéma zapojení hdo čez
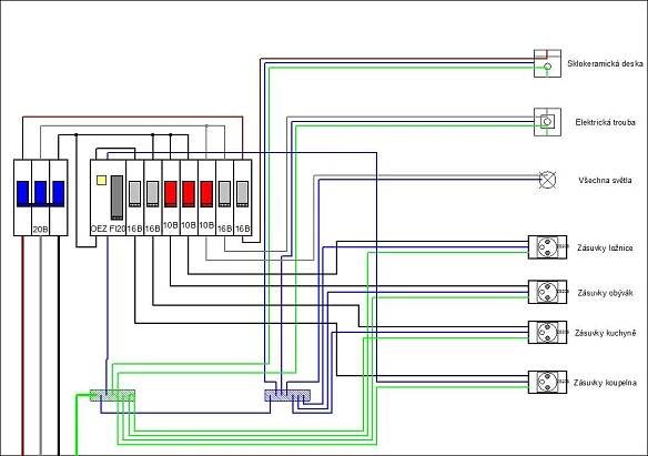
schéma zapojení hdo v rozvaděči
Schéma úpravy zapojení ER s dvoutarifní sazbou pro 3fázové měření typu C a HDO, připraveno pro budoucí Sdílení a montáž elektroměru typu B
elplast-kpz.cz
Zapojení elektroměru+HDO
poradte.cz
zapojení bojleru - Diskuzní fórum TZB-info
forum.tzb-info.cz
15 – Schéma zapojení měření s přímým třífázovým elektroměrem s převodníkem, regulací činného výkonu OZE a přijímačem HDO (od Prez 0 kW do 100 kW včetně), platné od 1. 7. 2022.
elplast-kpz.cz
Jak funguje dvousazbový elektroměr s HDO?
poradte.cz
Inteligentní odlehčovací relé Schrack — Elektrika.cz, reportážní portál instalační elektrotechniky, vyhlášky, schémata zapojení
elektrika.cz
16 – Schéma zapojení měření s přímým třífázovým elektroměrem, s regulací činného výkonu OZE relé boxem (od Prez 0 kW do 100 kW včetně), platné od 1.7.2024.
elplast-kpz.cz
Jak správně nastavit kondenzační plynový kotel?
chcikotel.cz
Rozdélení HDO, zapojení rozvaděče. - Diskuzní fórum TZB-info
forum.tzb-info.cz
Zapojení stykače pro bojler
poradte.cz
HDO zapojení na noční režim
poradte.cz
Schéma zapojení rozvaděče?
poradte.cz
Schéma zapojení domu: kontrola jmenovitých hodnot strojů a RCD
electro.tomathouse.com
OBR 18 Power Window.JPG
cs.manuals.plus
Zapojení stykače pro spínání ohřívače vody
elplast-kpz.cz
OBR 12 Power Window.JPG
cs.manuals.plus
Je správné provedení přívodu do rozvaděče?
poradte.cz
SCHEMA ZAPOJENÍ TROPIC
17 666 Kč
topeko24.cz
Připojovací armatury spínačů světla a návod k instalaci
electrobest.tomathouse.com
Schéma zapojení společného proudového chrániče u světel.
eas-elektro.cz
Charakteristiky elektromotoru | E-manuel.cz - online učebnice fyziky
e-manuel.cz
Zapojení rozvaděče ve sklepě #3
poradte.cz
Jak správně připojit elektroměr?
motosaller.cz
Protherm Rejnok 6 - 24 kw User Manual
manualmachine.com
Zapojení LED pásku
lxf.cz
Zapojení nového radiátoru do stávajícího systému - Svépomocí.cz
svepomoci.cz
Jak funguje dvousazbový elektroměr s HDO?
poradte.cz
Jak správně nainstalovat a zapojit dvojitý vypínač světel
electrobest.tomathouse.com
Obr. 7. Zapojení CT2 (3+1) v obvodu proudového chrániče
odbornecasopisy.cz
Most Dr. Edvarda Beneše v Ústí nad Labem projde rekonstrukcí, uzavře se 26. dubna 2025 - Dopraváček
dopravacek.eu
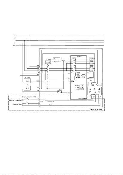
4.1.10 Zapojení měření třífázového dvousazbového elektroměru s jednopovelovým přijímačem HDo pro ohřev TUV v síti TN - c _ s ochrana automatickým odpojením od zdroje s pouŽitím jističe' ? o-LL t:!! Podružný rozváděč Elektroměrový rozváděč (bytový) ; vývody do BR 11.12, L3 *-***f*" ru **F* pE obr, 4-12 Schéma zapojenÍ
slideshare.net
Zapojení CCT LED pásku s ovladačem
lxf.cz
Kapacita bateriových úložišť: Univerzální řešení pro rezidenční a menší komerční instalace - Solární asociace
solarniasociace.cz
Příklad zapojení doplňování zásobní nádrže s ochranou čerpadla (1x MAVE 2-S2 (DIN), 1x MAVE 2-HH2)
mave-nymburk.cz
Návod k obsluze dataloggeru GSM-R5-DINW
zdroje.elektrika.cz
Zapojení přestavníku
youtube.com
Co je RCD a jak to funguje?
motosaller.cz
MIRES CONTROL | Speciální
topregulace.cz
Správnost zapojení
poradte.cz
Schéma připojení třífázového difavtomatu
electro.tomathouse.com
Při pokusu o sdílení polohy došlo k chybě
Aktualizovat
Více informací
Seznam
Nápověda
Kariéra
Ochrana údajů
Nastavení personalizace
Odvolat souhlas
Přidat stránku do hledání
odkazuje na služby nejen od Seznam.cz.
Více o upoutávkách
© 1996–2025 Seznam.cz, a.s.
Ohodnoťte výsledky hledání