Vyhledat
Internet
Obrázky
Zboží
Mapy
Videa
Zprávy
Firmy
Slovník
Filtr obrázků
Všechny velikosti
Všechny velikosti
Velké
Malé
Barevné
Barevné
Černobílé
Jen barevné
Pouze e-shopy
Pouze recepty
Pexeso
proudový jistič
otáčkoměr bezkontaktní
jistič na stejnosměrný proud
kulový ventil s odvzdušněním
zapojení kotle čtyřcestný ventil
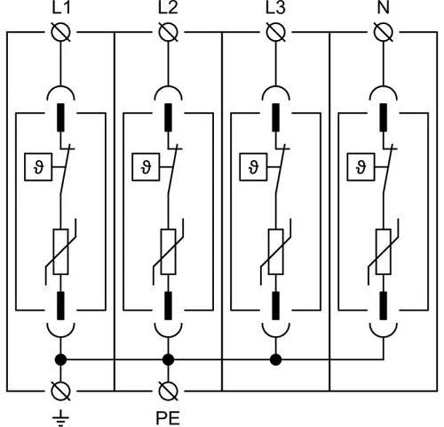
Možné zapojení chrániče s jističem
poradte.cz
Jistič Pardubice • firmy a ověřené recenze • NejŘemeslníci.cz
nejremeslnici.cz
Zapojení proudového chrániče
poradte.cz
Zapojení proudového chrániče | Lukáš Zafer
clanky.lukaszafer.cz
Zapojení proudového chrániče | Lukáš Zafer
clanky.lukaszafer.cz
Schéma zapojení RCD
engineering.decorexpro.com
Nejčastější chyby zapojení proudových chráničů
elektroprumysl.cz
Jak připojit jednofázový RCD?
planyadomy.cz
ABB 2CCL562110E0104 proudový chránič 2pólový
4 775 Kč
conrad.cz
Proudov é chrániče
elektro-materialy.cz
Schéma instalace a zapojení pro zásuvku pro pračku v koupelně
engineering.decorexpro.com
Proudové chrániče
elektro-materialy.cz
Schéma zapojení samostatných proudových chráničů u světel.
eas-elektro.cz
Jistič je namontován před RCD
engineering.decorexpro.com
Obr. 4 Nevhodné zapojení svodičů přepětí
elektroprumysl.cz
ABB 2CSA255901R9105 S-ARC1 B10 zařízení na ochranu proti elektrickému oblouku 2pólový 230 V
3 869 Kč
conrad.cz
Skladem
Doepke 09932304 proudový chránič/elektrický jistič
4 769 Kč
conrad.cz
Skladem
Proudové chrániče
elektro-materialy.cz
zapojení hlavního vypínače, proudového chrániče nebo jističe ze spodu nebo z vrchu? - Diskuzní fórum TZB-info
forum.tzb-info.cz
Schéma zapojení SM
pro.washerhouse.com
V jaké vzdálenosti od stropu by měly být dráty položeny?
stavenistenaklic.cz
ABB
mavink.com
Jak zapojit proudový chránič?
dudlu.cz
Revize elektroinstalace
elprac.cz
Jak zapojit jednopólový jistič?
stavebnitym.cz
Co dokáží "odborníci" ...
jilek.cz
HAKEL 27514 HSA-150/4+0 M Svodič přepětí typ 2+3 | Elektro Viola
2 823 Kč
viola.cz
Ukázka zapojení kombinací signalizací z více fází
novinky.bonega.cz
Bytový rozvádzač Tnc - Chránič - Elektrika | Modrastrecha.sk
modrastrecha.sk
RCB03 - Proudový chránič s nadproudovou ochranou
youtube.com
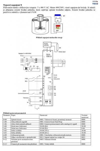
Technicke informace | Frekvenční měniče TECO
konzult.cz
Výměna jističe a zapojení spotřebičů
nejremeslnici.cz
Ovládání dvou svítilen
agrokbtrade.cz
One Kay Siang Road Electrical Works | Singapore Electrician
electrical-service-singapore.com
Proudovy chranic problemy #2
poradte.cz
Obrázek č. 2: Dvojitá třmenová svorka
azcasopis.cz
Kde je vstup a výstup u stroje?
poofi.cz
Elektroinstalace Vlastimil Kyral foto 1
firmy.cz
ENBRA FVE svépomocí 5 - Zapojení rozvaděčů, kontrola a autorizované spuštění
youtube.com
Soubor jističů, OEZ LSN
aukro.cz
Při pokusu o sdílení polohy došlo k chybě
Aktualizovat
Více informací
Seznam
Nápověda
Kariéra
Ochrana údajů
Nastavení personalizace
Odvolat souhlas
Přidat stránku do hledání
odkazuje na služby nejen od Seznam.cz.
Více o upoutávkách
© 1996–2025 Seznam.cz, a.s.
Ohodnoťte výsledky hledání