Rs232 - Alza dny jsou tu

Zlevni si vybrané produkty o 5 až 30 %. Stačí zadat kód a je to. Ušetři s Alza.cz.
Obrovský výběr na Alza.czTop dodání s AlzaExpressS appkou výdej bez čekání
Mosty u Jablunkova 800

ObrázkyZapojení rs232

USB – Wikipedie
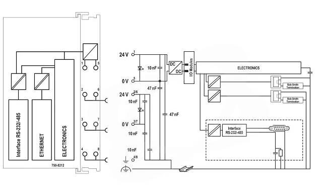
120_020000170002ac1d000200b6_EN
Ethernet IO vzdálené vstupy výstupy 24V 12xDI/DO RS232 | FOXON
 RS-485 vs RS-422 vs RS-232 Comparison
schéma zapojení pro průchozí spínače 2 kusy
RS232 Pin Out
JB-elektronik: zapojení diagnostické zásuvky
Návod k obsluze Euroster EQ1E - Zbozi.cz
Správnost zapojení #2

RS232 je rozhraní pro přenos informací vytvořené původně pro komunikaci dvou zařízení do vzdálenosti 20 m. Pro větší odolnost proti rušení je informace po propojovacích vodičích přenášena větším napětím, než je standardních 5 V. Přenos informací probíhá asynchronně, pomocí pevně nastavené přenosové rychlosti a…

RS-232 – Wikipedie

Standard RS-232, resp. jeho poslední varianta RS-232C z roku 1969, (také sériový port nebo sériová linka) se používá jako komunikační rozhraní osobních počítačů a další elektroniky.

RS232-Rsttl

Komunikační moduly, RS232-Rsttl - Nabízíme zabezpečovací systémy pro malé i velké firmy
Cena 830 KčSkladem

HW server představuje - Sériová linka RS-232 | Vývoj.HW.cz

V plně duplexních komunikačních zařízení ztrácejí řídící signály částečně svůj původní význam a programy je využívají spíše způsobem “zařízení DTE hlásí, že je momentálně připraveno (nepřipraveno) přijmout data” – k tomu může programátor…

TIP#1439: Jak připojit staré RS-232 periferie? A co to vůbec to…

Malý výlet do historie. RS-232 je komunikační sériové rozhraní, které bylo faktickým předchůdcem dnešního USB. V každém počítači či notebooku byl sériový port a do něj se zapojovala zařízení - nejčastěji myš, ale možné připojit bylo…
Neobsahuje zapojeníMusí obsahovat zapojení

Tradiční sériové rozhraní RS-232 | MEAN WELL

Objevte výhody použití rozhraní RS-232 a zjistěte, proč je stále ještě výhodné využívat je ve světě moderních průmyslových zařízení i aplikací.

Základní rozdíly mezi RS-232, RS-422 a RS-485 — iPC2U s.r.o.

RS-232, RS-422 a RS-485 jsou rozhraní pro digitální přenos dat. RS-232 se nečastěji označuje jako COM port nebo sériový port. RS-422 a RS-485 nacházejí široké využití v průmyslovém prostředí.

Redukce USB na RS232 | Alza.cz

Redukce USB na RS232 skladem. Bezpečný výběr i nákup. Doručíme do 24 hodin. Poradíme s výběrem. Pravidelné akce a slevy na Redukce USB na RS232. Ši...

PC rozhraní Victron Energy MK2.2B-RS232 - SvětKaravanů.cz

PC rozhraní Victron Energy MK2.2B-RS23 pro softwarové nastavení měničů Phoenix a měničů / nabíječek MultiPlus od Victron a Quattro pomocí programu VE Configure.
Při pokusu o sdílení polohy došlo k chybě
Více informací
odkazuje na služby nejen od Seznam.cz.

© 1996–2025 Seznam.cz, a.s.