• Schodišťový vypínač č.6 je vhodný pro ovládání osvětlení chodby, průchozí místnosti, schodiště a dokáže ovládat jedno svítidlo ze dvou míst.1, 2
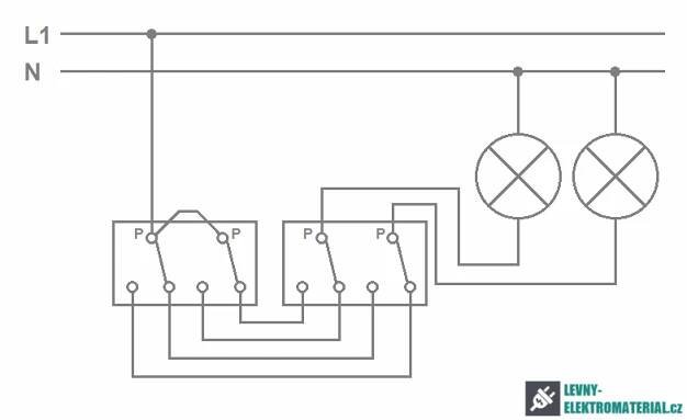
  • Při potřebě ovládat světlo z tří a více míst, se instaluje křížový vypínač, který se skládá z 2 x vypínačů č. 6 a poté doplní počet vypínačů č.7 podle potřeby.2, 3
  • Při instalaci vypínačů a zásuvek je důležité si uvědomit, že jejich instalace vyžaduje odborné znalosti a měli by je provádět pouze certifikovaní odborníci.2, 3, 4
  • Při neodborné manipulaci s elektrickým proudem může dojít k poškození výrobků i stávající elektroinstalace a ohrožení zdraví.3, 4
  • Vypínače a zásuvky všech designových řad mají stejnou koncepci zapojení, ale je důležité si uvědomit, že jejich instalace vyžaduje odborné znalosti.3, 4

Zapojení schodišťového vypínače č.6 schéma - YouTube

► 0:38
15. 5. 2018139 tis. zhlédnutíZapojeni schodišťového vypínače řazení č.6 schéma. Podrobný popis naleznete na : https://mojeelektro.cz/poradna/7_Schema-zapojeni-vypinacu.html

Průvodce zapojení vypínačů | iElektra.cz

Přinášíme kompletní seznam nejčastějších zapojení domovních vypínačů. Ať už hledáte schéma pro vypínač č.1, vypínač č.6+6 nebo vypínač s kontrolkou.

Schémata zapojení vypínačů | Tympol Plus

Schémata instalace vypínačů pro ovládaní osvětlení. Toto schéma je stejné pro všechny nabízené série vypínačů a zásuvek z naší nabídky. Schéma zapojení jednopólového, sériového, střídavého a křížového

Schéma zapojení vypínačů | MojeElektro.cz

Jako další příklad můžeme uvést, že máme tento vypínač umístěný venku na domě a jednou klapkou můžeme rozsvítit osvětlení cesty ke garáži a druhou klapkou můžeme rozsvítit osvětlení cesty k brance a když si rozsvítíme např.

Jak správně zapojit?

Obzvláště u schodišťových vypínačů, pokud zaměníte vodiče, může nevratně dojít k poškození komunikačního modulu a vypínače nebude možné synchronizovat.

Návody na zapojení vypínače - Zásuvky a vypínače Vectis

Před zapojením schodišťového vypínače se ujistěte, že jste vypnuli zdroj elektrického napětí a dodržujte bezpečnostní opatření.
Neobsahuje čMusí obsahovat č

Přehled řazení vypínačů a tlačítek | Shopelektro

Nevíte, který vypínač nebo tlačítko vybrat? V tomto článku vám pomůžeme se snadno orientovat v jejich značení.
Neobsahuje schémaMusí obsahovat schéma

Řazení vypínačů – jak se v tom vyznat a čím vám mohou usnadnit…

Jednička, schodišťák, sedmička, lustrák jsou výrazy z elektrikářského slangu, které označují různé druhy vypínačů podle tzv...
Neobsahuje schémaMusí obsahovat schéma

schema zapojení vypínače a světla - Zbozi.cz

Hledáte schema zapojení vypínače a světla? Na Zboží.cz pro vás máme širokou nabídku výrobků včetně recenzí. U každého zboží si můžete zjistit i jeho dostupnost nebo třeba porovnat ceny a ušetřit.
Při pokusu o sdílení polohy došlo k chybě
Více informací
odkazuje na služby nejen od Seznam.cz.

© 1996–2025 Seznam.cz, a.s.