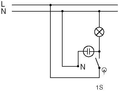
• Zapojení vypínače č.1 je nejjednodušší způsob, kdy jeden vypínač ovládá jedno světlo, a je nejčastěji používán v místnostech s jedním vchodem jako jsou koupelny, ložnice, kuchyně, toalety nebo také v kancelářích, zasedacích místnostech, sklepech apod.1, 2
  • Schodišťový vypínač č.6 umožňuje ovládat jedno svítidlo ze dvou míst, což je často využíváno v chodbách nebo na schodištích, kde je potřeba světlo rozsvítit nebo zhasnout na různých místech.2, 3
  • Dvojitý vypínač č.5 je spojení dvou vypínačů č.1 do jednoho vypínače, kterým ovládáme dvě světla nebo dvě řady světel, a je často používán v jídelně, obývacím pokoji, kuchyňi, kanceláři, verandě apod.2
  • Křížový vypínač č.7 je složitější zapojení, které se instaluje mezi dva vypínače č.6, když potřebujeme svítidla ovládat ze tří a více míst, například na dlouhé chodbě s více vchody.2, 3
  • Všechny typy vypínačů, včetně zásuvek, jsou instalovány odborníky a jejich zapojení může být pro laika nepochopitelné, ale není tak složité, jak se může zdát.4

Průvodce zapojení vypínačů | iElektra.cz

Přinášíme kompletní seznam nejčastějších zapojení domovních vypínačů. Ať už hledáte schéma pro vypínač č.1, vypínač č.6+6 nebo vypínač s kontrolkou.

Schéma zapojení vypínačů | MojeElektro.cz

Jako další příklad můžeme uvést, že máme tento vypínač umístěný venku na domě a jednou klapkou můžeme rozsvítit osvětlení cesty ke garáži a druhou klapkou můžeme rozsvítit osvětlení cesty k brance a když si rozsvítíme např.

Zapojení jednoduchého vypínače č.1 schéma - YouTube

► 0:32
15. 5. 201822 tis. zhlédnutíSchéma zapojení jednoduchého vypínače. Podrobný popis naleznete na : https://mojeelektro.cz/poradna/7_Schema-zapojeni-vypinacu.html

Poradíme Vám, jak zapojit vypínače | Tympol Plus

Vypínače i zásuvky jsou nepostradatelnou součástí každého interiéru. Bez zásuvek bychom nebyli schopni připojit elektrospotřebiče do elektrické sítě a bez vypínačů bychom si nerozsvítili.
Neobsahuje čMusí obsahovat č

Jak správně zapojit?

Obzvláště u schodišťových vypínačů, pokud zaměníte vodiče, může nevratně dojít k poškození komunikačního modulu a vypínače nebude možné synchronizovat.

Řazení vypínačů – jak se v tom vyznat a čím vám mohou usnadnit…

Jednička, schodišťák, sedmička, lustrák jsou výrazy z elektrikářského slangu, které označují různé druhy vypínačů podle tzv...
Neobsahuje schémaMusí obsahovat schéma

Návody na zapojení vypínače - Zásuvky a vypínače Vectis

Před zapojením schodišťového vypínače se ujistěte, že jste vypnuli zdroj elektrického napětí a dodržujte bezpečnostní opatření.
Neobsahuje čMusí obsahovat č

Vypínače, spínače, tlačítka | Vypínač.cz

Vypínače, schéma zapojení schodišťového, křížového, lustrového
Neobsahuje čMusí obsahovat č
Při pokusu o sdílení polohy došlo k chybě
Více informací
odkazuje na služby nejen od Seznam.cz.

© 1996–2025 Seznam.cz, a.s.