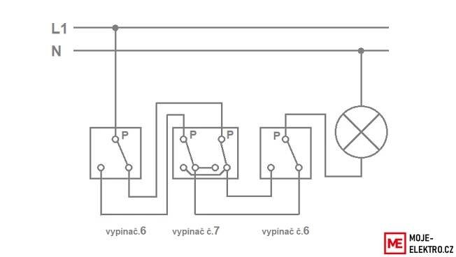
• Základní zapojení vypínače č.1 ovládá jeden okruh, zatímco schodišťový vypínač č.6 umožňuje ovládání jednoho spotřebiče ze dvou míst.1, 2
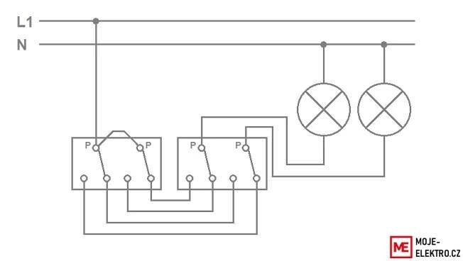
  • Dvojitý vypínač č.5 ovládá dvě svítidla nebo dvě řady svítidel z jednoho místa, zatímco střídavý dvojitý vypínač č.5B umožňuje ovládání dvou svítidel ze dvou míst.3
  • Křížový vypínač č.7 se používá mezi dvěma vypínači č.6 na místech, kde je potřeba ovládat svítidla ze tří a více míst.3
  • Vypínače a zásuvky musí instalovat odborník, protože neodborné zapojení může poškodit výrobky i stávající elektroinstalaci.2, 3
  • Při výběru vypínače je důležité zvážit, kolik míst potřebujete pro ovládání svítidel a jaký typ vypínače je pro danou situaci nejvhodnější.4

Průvodce zapojení vypínačů | iElektra.cz

Přinášíme kompletní seznam nejčastějších zapojení domovních vypínačů. Ať už hledáte schéma pro vypínač č.1, vypínač č.6+6 nebo vypínač s kontrolkou.

Schémata zapojení vypínačů | Tympol Plus

Schémata instalace vypínačů pro ovládaní osvětlení. Toto schéma je stejné pro všechny nabízené série vypínačů a zásuvek z naší nabídky. Schéma zapojení jednopólového, sériového, střídavého a křížového

Schéma zapojení vypínačů | MojeElektro.cz

Jedná se o zapojení střídavého dvojitého vypínače, kdy vypínačem č.5B ovládáme dvě svítidla a nebo dvě řady svítidel ze dvou míst.

Zapojení schodišťového vypínače č.6 schéma - YouTube

► 0:38
15. 5. 2018139 tis. zhlédnutíZapojeni schodišťového vypínače řazení č.6 schéma. Podrobný popis naleznete na : https://mojeelektro.cz/poradna/7_Schema-zapojeni-vypinacu.html

Jak zapojit světlo a vypínač? | Svět svítidel

Možná jste pod stromečkem našli nové svítidlo, možná jste se rozhodli pořídit si je sami. Ať už tak či tak, nyní je nejdůležitější ho mít ho správně zapojené.
Neobsahuje schémaMusí obsahovat schéma

Návod #4 - Jak připojit spínač?

Dokončeme naši stolní lampu tím, že se naučíme, jak připojit vypínač!
Neobsahuje schémaMusí obsahovat schéma

Řazení vypínačů – jak se v tom vyznat a čím vám mohou usnadnit…

Jednička, schodišťák, sedmička, lustrák jsou výrazy z elektrikářského slangu, které označují různé druhy vypínačů podle tzv...
Neobsahuje schémaMusí obsahovat schéma

Zapojení vypínače na světlo | Silring.cz

Zapojení klasického vypínače na stěnu pro ovládání světla je spolu se zapojením svítidla nebo klasické zásuvky jednou z nejjednodušších prací kolem elektroinstalace.
Neobsahuje schémaMusí obsahovat schéma

Návody na zapojení vypínače - Zásuvky a vypínače Vectis

Toto zapojení se skládá ze dvou hlavních částí: přepínacího mechanismu a motorového vinutí. Níže je podrobný postup, jak správně zapojit přepínač hvězda-trojúhelník:
Při pokusu o sdílení polohy došlo k chybě
Více informací
odkazuje na služby nejen od Seznam.cz.

© 1996–2025 Seznam.cz, a.s.