• HDO je zkratka pro hromadné dálkové ovládání, které umožňuje regulaci odběru elektrické energie a je využíváno distributory elektřiny pro dálkové spínání zařízení s vysokým odběrem.1
  • Tento systém je důležitý pro omezení výkyvů v energetické síti a je určen pro domácnosti s vysokým odběrem elektřiny, které ji využívají nejen k osvětlení, ale také ohřevu teplé vody, dobíjení elektromobilu a dalším energeticky náročným činnostem.1
  • Dvoutarifní ceny elektřiny umožňují odběr za zvýhodněných podmínek v konkrétních časech, kdy velké spotřebiče odebírají značné množství energie a spínají v předem stanovené časy v nízkém tarifu.1
  • Pokud si nastavíte spínání bojleru a dobíjení vašeho elektromobilu do časů levnějšího tarifu, můžete ušetřit stovky až tisíce korun ročně.1
  • Časy vysílání povelů HDO platí pro základní stav distribuční soustavy za normálních provozních podmínek a tarifní pásma si stanovují konkrétní provozovatelé distribuční soustavy podle zatížení sítě.1
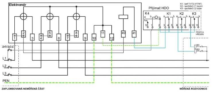
Schéma úpravy zapojení ER s dvoutarifní sazbou pro 3fázové měření typu C a HDO, připraveno pro budoucí Sdílení a montáž elektroměru typu B
Zapojení elektroměru+HDO
zapojení bojleru - Diskuzní fórum TZB-info
15 – Schéma zapojení měření s přímým třífázovým elektroměrem s převodníkem, regulací činného výkonu OZE a přijímačem HDO (od Prez 0 kW do 100 kW včetně), platné od 1. 7. 2022.
Jak funguje dvousazbový elektroměr s HDO?
Inteligentní odlehčovací relé Schrack — Elektrika.cz, reportážní portál instalační elektrotechniky, vyhlášky, schémata zapojení
16 – Schéma zapojení měření s přímým třífázovým elektroměrem, s regulací činného výkonu OZE relé boxem (od Prez 0 kW do 100 kW včetně), platné od 1.7.2024.
Jak správně nastavit kondenzační plynový kotel?
Rozdélení HDO, zapojení rozvaděče. - Diskuzní fórum TZB-info

Co je HDO a jaké jsou časy spínání | SPP

Jako každá zkratka vypadá trochu složitě a tajemně. Ale není tomu tak. HDO v sobě skrývá tři slova: hromadné dálkové ovládání . Jedná se o způsob regulace odběr

Jak se zapojuje HDO

Jsem sice vyučený elektrikář, ale nikdy jsem nezapojoval HDO pro denní/noční proud. Nevysvětlil nebo nenakreslil by mi někdo jak se zapojuje? Děkuji

Připojovací podmínky nn | Homepage

Energie tam, kde je potřeba. Naše síť dodává elektřinu více než 3,7 milionům odběratelů, jsme tu i pro vás.

Vyhledání času spínání HDO | EG.D

Zjistěte si aktuální časy spínání HDO (neboli noční proud) pro vaše odběrné místo elektřiny.
Neobsahuje schémaMusí obsahovat schéma

Zapojení HDO pro bojler | Sami Sobě

Stavíme si rodinný dům svépomocí a veškeré práce dokumentujeme včetně fotek a videí na tomto blogu.
Neobsahuje schémaMusí obsahovat schéma

HDO a noční proud – jak to vlastně funguje? – mylms

HDO (Hromadné Dálkové Ovládání) používá distributor el. energie k dálkovému spínání spotřebičů s větším odběrem, jako jsou tepelná čerpadla, bojlery, elektrokotle, akumulační kamna atd.

Elektro - instalace, zapojení, spotřebiče a praktické rady…

Web plný praktických zapojení pro domovní elektroinstalace. S námi jednoduše pochopíte jakékoliv zapojení, např. jak zapojit zásuvku na 230 V nebo 400 V. Taktéž jsou zde přehledná zapojení vypínačů v bytových elektroinstalacích.

Časy nízkého tarifu HDO – Najdete online v Energie24 | E.ON

Zjistěte, kdy platí nízký tarif HDO. Pro zákazníky EG.D jsou časy dostupné v portálu Energie24. U ostatních distributorů najdete informace na jejich webu.
Neobsahuje schémaMusí obsahovat schéma

HDO a TOU tabulky | PREdistribuce, a. s.

‌Informace o časech přepínání nízkého a vysokého tarifu.
Neobsahuje schémaMusí obsahovat schéma

Co je to HDO a jak díky němu ušetřit na elektřině? | Srovnejto…

HDO v distribuční soustavě běží na základě vysílání kódu transponovaného na kmitočet energetické sítě do každé fáze z rozvoden 110/22 kV do sítí 22 kV a následně přes transformátory do sítě nízkého napětí – tedy až k samotným spotřebičům.
Neobsahuje schéma zapojení
Při pokusu o sdílení polohy došlo k chybě
Více informací
odkazuje na služby nejen od Seznam.cz.

© 1996–2025 Seznam.cz, a.s.